
产品概述
本单位生产的QBY系列气动隔膜泵是一种新型输送机械,采用压缩空气为动力源,对于各种腐蚀性液体,带颗粒的液体,高粘度、易挥发、易燃、剧毒的液体,均能予以抽光吸尽。其性能参数与联邦德国的WLLDENPVMPS、美国的MARlOWPUMPS相近。
性能参数
|
型号
|
流量
(m3/h) |
扬程
(m) |
出口压力
(kgf/cm2) |
吸程
(m) |
最大允
许能
过颗粒
直径
(mm) |
最大供气
压力
(kbf/cm2) |
最大供气
消耗量
(m3/min) |
材料
|
|||
|
铝合金
|
不锈钢
|
铸造铁
|
增强聚丙烯
|
||||||||
|
QBY-10
|
0~0.8
|
0~50
|
6
|
5
|
1
|
7
|
0.3
|
★
|
★
|
★
|
★
|
|
QBY-15
|
0~1
|
0~50
|
6
|
5
|
1
|
7
|
0.3
|
★
|
★
|
★
|
★
|
|
QBY-25
|
0~2.4
|
0~50
|
6
|
7
|
2.5
|
7
|
0.6
|
★
|
★
|
★
|
★
|
|
QBY-40
|
0~8
|
0~50
|
6
|
7
|
4.5
|
7
|
0.6
|
★
|
★
|
★
|
★
|
|
QBY-50
|
0~12
|
0~50
|
6
|
7
|
8
|
7
|
0.9
|
★
|
★
|
★
|
/
|
|
QBY-65
|
0~16
|
0~50
|
6
|
7
|
8
|
7
|
0.9
|
★
|
★
|
★
|
/
|
|
QBY-80
|
0~24
|
0~50
|
6
|
7
|
10
|
7
|
1.5
|
★
|
★
|
★
|
/
|
|
QBY-100
|
0~30
|
0~50
|
6
|
7
|
10
|
7
|
1.5
|
★
|
★
|
★
|
/
|
注:★-有 ∕-无
主要用途
1、泵吸花生酱、泡菜、土豆泥、小红肠、果酱苹果浆、巧克力等。
2、泵吸油漆、树胶、颜料。
3、粘合剂和胶水、全部种类可用泵吸取。
4、各种瓦、瓷、砖器及陶器釉浆。
5、油井钻好后,用泵吸沉积物及灌浆。
6、泵吸各种乳剂和填料。 .
7、泵吸各种污水。
8、用泵为油轮,驳船清仓吸取仓内污水。
9、啤酒花及发酵粉稀浆、糖浆、糖密。
10、泵吸矿井、坑道、隧道、选矿、矿渣中的积水。泵吸水泥灌浆及灰浆。
11、各种橡胶浆。
12、各种磨料、腐蚀剂、石油及泥浆、清洗油垢及一般容器。
13、各种剧毒、易燃、易挥发液体。
14、各种强酸、强碱、强腐蚀液体。
15、各种高温液体最高可耐150℃。
16、作为各种固液分离设备的前级送压装置。
技术参数
流量:0-30m3/h;
扬程:0-50m;
口径:10-100mm;
温度:-15-+120℃;
压力:0.1-0.7MPa;
自吸高度:5-7m。
型号意义

使用注意事项
1.本泵振动极其轻微,一般情况可不装底脚螺栓。
2.如压缩空气有脏物进入,将会影响泵的正常启动,建议用户加装气动三联件。
3.在抽吸易冻结的介质时,应在泵的进口处装阀门,当停止用泵时,先将该阀关闭,然后再开泵数分钟,将泵体介质排净为止以免造成下次开泵困难。
更换隔膜时,须将泵内腕连杆,铅套清洗干净,并不要损坏白色四氟密封圈,按原样装好,即可使用。
气动隔膜泵应用实例
1、油罐清底,尽管有垫水法抽油,也不能保证将油抽净,表面总要剩下至少3-5mm厚的油层。以5000m3油罐为例,每次大约损耗1-1.5t油。对于有低位脱水槽的油罐,虽可将剩下的油和水排放到含油污水处理场回收,但是挥发的油品在输送过程中大都挥发殆尽,且污染环境。
2、临时倒罐、装卸车和油品采样,炼油生产调度过程中,油品经常要临时倒罐、装车和对油罐中油品采样检验。或者为了不至于污染正常的管线时,用隔膜泵接临时管线可以迅速方便地完成此项任务。
3、油轮仓底油回收一条3000t的油轮用固定螺杆泵卸油,仓库隔板之间至少要剩余50t油,若用排量较大的隔腆泵,可以收到很好的效果。
4、瓦斯、硫化氢残液的输送炼油厂火炬底部的瓦斯残液和含硫水,需要集中排放和处理,否则会形成酸性腐蚀设备。
5、陶瓷行业:用该泵抽吸釉浆,并可用于向压滤机送压。
6、下水井、暗沟排除渍水、污油在下水井管道,阀门及暗沟检修时,需要排除渍水和污油。用潜水泵虽可抽尽溃水,但往往这些地方都远离电源,很不方便。使用隔膜泵则可采用压縮气瓶作动力,回收污油,排泄溃水。
7、污水处理场和污泥池的清扫污水处理场的污泥池,常常聚积大量的油泥和淤沙,需要清扫,采用隔膜泵抽吸灵活、方便省工、省力、省时。
8、液化气泵房和化验室排渍水,由于这些地方地势较低,又是一级防火区,采用隔膜泵排渍水比较安全,比用水抽子、汽抽子效率高出好多倍。
9.此外,此泵应用于环烷酸精制转料,装车亚硫酸纳液体输送,苯类原料装卸车等方面都有它自己的优势。
性能介绍
QBY气动隔膜泵既能抽送流动的液体,又能输送一些不易流动的介质,具有自吸泵、潜水泵、屏蔽泵、泥浆泵和杂质泵等瑜送机械的许多优点。
1、不需灌引水,吸程高达7M,扬程达50M,出口压力≥6kgf/cm2。
2、流动宽蔽,通过性能好,允许通过最大颗粒,直径达10mm抽送泥浆、杂质时,对泵磨损甚微。3、扬程、流量可通过气阀开度实现无级调节。(气压调节在1-7kg/cm2之间)。
4、该泵无旋转部件,没有轴封隔膜将抽送的介质与泵的运动部件,工作介质完全隔开,所输送的介质不会向外泄漏。
所以抽送有毒,易挥发或腐蚀性介质时,不会造成环境污染和危害人身安全。5、不必用电,在易燃、易爆场所使用安全可靠。
6、可以浸没在介质中工作。
7、使用方便、工作可靠、开停泵只需简单地打开和关闭气体阀门,即使由于意外情况而长时间地无介质运行或突然停机,泵也不会因此而损坏,一旦超负荷,泵便会自动停机,具有自我保护性能,当负荷恢复正常以后,又能自
动启动运行。
8、结构简单、易损件少,该泵结构简单、安装、维修方便,泵输送的介质不会接触到配气阅,联杆等运动部件,不象其他类型的泵因转子、活塞、齿轮、叶片等部件的磨损而使性能逐步下降。9、可输送较粘的液体。(粘度在1万厘泊以下)
10、本泵无须用油润滑,即使空转,对泵也无任何影响。这是该泵一大特点。
性能参数
| 型号 |
流量 (m3/h) |
扬程 (m) |
出口压力 (kgf/cm2) |
吸程 (m) |
最大允 许能 过颗粒 直径 (mm) |
最大供气 压力 (kbf/cm2) |
最大供气 消耗量 (m3/min) |
材料 | |||
| 铝合金 | 不锈钢 | 铸造铁 | 增强聚丙烯 | ||||||||
| QBY-10 | 0~0.8 | 0~50 | 6 | 5 | 1 | 7 | 0.3 | ★ | ★ | ★ | ★ |
| QBY-15 | 0~1 | 0~50 | 6 | 5 | 1 | 7 | 0.3 | ★ | ★ | ★ | ★ |
| QBY-25 | 0~2.4 | 0~50 | 6 | 7 | 2.5 | 7 | 0.6 | ★ | ★ | ★ | ★ |
| QBY-40 | 0~8 | 0~50 | 6 | 7 | 4.5 | 7 | 0.6 | ★ | ★ | ★ | ★ |
| QBY-50 | 0~12 | 0~50 | 6 | 7 | 8 | 7 | 0.9 | ★ | ★ | ★ | / |
| QBY-65 | 0~16 | 0~50 | 6 | 7 | 8 | 7 | 0.9 | ★ | ★ | ★ | / |
| QBY-80 | 0~24 | 0~50 | 6 | 7 | 10 | 7 | 1.5 | ★ | ★ | ★ | / |
| QBY-100 | 0~30 | 0~50 | 6 | 7 | 10 | 7 | 1.5 | ★ | ★ | ★ | / |
| 隔膜品种 介质种类 | 丁睛橡胶 | 氯丁橡胶 | 氟橡胶 | 聚四氟乙烯 | 食品橡胶 |
| 发烟硝酸 | × | × | △ | △ | |
| 浓硝酸 | × | × | △ | △ | |
| 浓硫酸 | × | × | ○ | △ | |
| 浓盐酸 | × | △ | △ | △ | |
| 浓磷酸 | × | △ | △ | △ | |
| 浓醋酸 | × | × | × | △ | |
| 浓氢氧化钠 | ○ | ○ | △ | △ | |
| 无水氨 | △ | △ | △ | △ | |
| 稀硝酸 | × | × | ○ | △ | |
| 稀硫酸 | △ | △ | △ | △ | |
| 稀盐酸 | × | ○ | △ |
曲线图
结构图
1.进气口 2.配气阀体 3.配气阀 4.圆球 5.球座 6.隔膜 7.连杆 8.连杆铜套 9.中间支架 10.泵进口 11.排气口
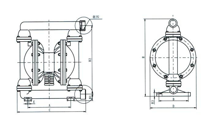
安装尺寸

|
型号
|
A
|
B
|
C
|
D
|
E
|
H1
|
H2
|
H3
|
G
|
丝扣
|
备注 |
|
QBY-10
|
120
|
58
|
210
|
140
|
10
|
40
|
255
|
12
|
270
|
3/8”
|
工程塑料、氟塑料 |
|
QBY-15
|
120
|
58
|
210
|
140
|
10
|
40
|
255
|
12
|
270
|
1/2”
|
|
|
QBY-10
|
120
|
0
|
210
|
140
|
12
|
30
|
220
|
10
|
240
|
3/8”
|
铸铁、不锈钢、铝合金 |
|
QBY-15
|
120
|
0
|
210
|
140
|
12
|
30
|
220
|
10
|
240
|
1/2”
|

|
型号
|
A
|
B
|
C
|
D
|
E
|
H1
|
H
|
丝扣
|
备注
|
|
QBY-10
|
160
|
0
|
200
|
160
|
10
|
40
|
260
|
3/8”
|
铸铁、不锈钢、铝合金
|
|
QBY-15
|
160
|
0
|
200
|
160
|
10
|
40
|
260
|
1/2”
|
|
|
QBY-20
|
180
|
155
|
300
|
200
|
10
|
40
|
400
|
3/4”
|
|
|
QBY-25
|
210
|
160
|
320
|
230
|
12
|
50
|
470
|
1”
|
|
|
QBY-40
|
210
|
160
|
320
|
230
|
12
|
50
|
470
|
11/2”
|

|
型号
|
A
|
B
|
D5
|
D6
|
C
|
H
|
H1
|
DN1
|
DN2
|
n-d1
|
n-d2
|
D3
|
D4
|
E
|
n-d4
|
进气口
外径
|
备注
|
|
QBY-25
|
215
|
150
|
100
|
100
|
380
|
530
|
70
|
25
|
25
|
4-Φ11
|
4-Φ11
|
75
|
75
|
55
|
4-Φ10
|
10
|
工氟
程塑
塑料料,
|
|
QBY-40
|
215
|
150
|
130
|
120
|
380
|
530
|
70
|
40
|
32
|
4-Φ13.5
|
4-Φ13.5
|
100
|
90
|
55
|
4-Φ10
|
10
|
|
|
QBY-25A
|
220
|
160
|
110
|
110
|
370
|
575
|
68
|
25
|
25
|
4-Φ11
|
4-Φ11
|
75
|
75
|
80
|
4-Φ12
|
10
|
铸
铁
、
不
锈
钢
、
铝
合
金
|
|
QBY-40A
|
220
|
160
|
130
|
120
|
370
|
575
|
68
|
40
|
32
|
4-Φ13.5
|
4-Φ13.5
|
100
|
90
|
80
|
4-Φ12
|
10
|
|
|
QBY-50
|
340
|
240
|
140
|
140
|
550
|
800
|
65
|
50
|
50
|
4-Φ13.5
|
4-Φ13.5
|
110
|
110
|
145
|
4-Φ17.5
|
12
|
|
|
QBY-65
|
340
|
240
|
160
|
160
|
550
|
800
|
70
|
65
|
65
|
4-Φ13.5
|
4-Φ13.5
|
130
|
130
|
145
|
4-Φ17.5
|
12
|
|
|
QBY-80
|
340
|
240
|
190
|
190
|
580
|
950
|
100
|
80
|
80
|
4-Φ17.5
|
4-Φ17.5
|
150
|
150
|
130
|
4-Φ17.5
|
14
|
|
|
QBY-100
|
340
|
240
|
210
|
190
|
580
|
950
|
100
|
100
|
80
|
4-Φ17.5
|
4-Φ17.5
|
170
|
170
|
130
|
4-Φ17.5
|
14
|

