
GB-S系列精密计量泵
可调计量范围:0-3000L /H(单头最大为1500L /H)
最大压力范围:0-0.4MPa
驱动方式:电机驱动
控制方式:手动、自动控制(可接收4-20mA信号来调节流量)
最大压力范围:0-0.4MPa
驱动方式:电机驱动
控制方式:手动、自动控制(可接收4-20mA信号来调节流量)
1、铸铝壳体,散热性能高,整体重量轻,适用各种酸碱药液,无毒无味。
2、采用双凸轮机构,性能配比优越,双头加药。
3、接触介质泵头为PVC、可选PTFE、及不锈钢材质。
4、性价比高,普遍适用于,压力要求不高的水处理行业。
5、在泵运行或停止时也可任意调节流量也可定量输出。
2、采用双凸轮机构,性能配比优越,双头加药。
3、接触介质泵头为PVC、可选PTFE、及不锈钢材质。
4、性价比高,普遍适用于,压力要求不高的水处理行业。
5、在泵运行或停止时也可任意调节流量也可定量输出。
6、隔膜为多层复合结构压制而成,第一层超韧性Teflon耐酸薄膜,第二层EPDM弹性橡胶,第三层厚度3.mm SUS304支撑铁芯,第四层采用强化尼龙纤维补强,第五采用EPDM弹性橡胶完全包履,可有效提升隔膜使用寿命。
|
产品参数
GB-S系列精密计量泵参数表
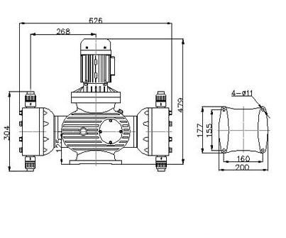
GB-S系列精密计量泵外形安装尺寸图
![]() |

