
JZ系列柱塞式计量泵
可调计量范围:0-460L/H
最大压力承受范围:0-50MPa
驱动方式:电机驱动
控制方式:手动、自动控制 (可接收4-20mA信号来调节流量)
配置方式:泵头保温、冷却、电机可配防爆
1、与介质直接接触部位全采用不锈钢及四氟材质。过流适应一般颗粒,无毒无味。
2、双泵头结构,经济实用,占地面积小,性能优越。
3、易损部件全部经过特殊化处理,质量保证。
4、内部配置性能卓越的调节器总成,延长泵的使用寿命,并降低了噪音。
5、定量输出,在泵运行或停止时也可任意调节流量,精密度高可达正负百分之一。
6、吐出压力最高一款系列可达500KG。
7、适用于输送温度为 -30~120℃,粘度为 0.3~800mm2/s 的介质。
|
产品参数
|
泵头部位材料
|
工作条件
|
|
计量泵头:SUS304、SUS316
|
环境温度: -30℃ ---90℃
|
|
计量阀: SUS304、SUS316
|
电机: 二相、三相标准电机或防爆电机
|
|
阀球: 二氧化硅、SUS304、SUS316、陶瓷、氧化锆
|
功率:0.75KW 1.1KW
|
|
密封: 聚四氟乙烯
|
防护等级:IP54
|
J-Z系列柱塞式计量泵性能参数
|
型号(MODE)
|
流量(L/H)
|
压力(Mpa)
|
柱塞直径(MM)
|
行程(MM)
|
泵速(MIN-1)
|
功率(KW)
|
进口口径(MM)
|
重量(KG)
|
|
J-Z 3.8/50
|
3.8
|
50
|
6
|
25
|
96
|
0.75
|
6
|
45
|
|
J-Z 6.5/40
|
6.5
|
40
|
8
|
0.75
|
|
J-Z 6.5/28
|
6.5
|
28
|
0.55
|
|
J-Z 10/25
|
10
|
25
|
10
|
0.75
|
|
J-Z 10/20
|
10
|
20
|
0.55
|
|
J-Z 15/20
|
15
|
20
|
12
|
0.75
|
8
|
|
J-Z 15/16
|
15
|
16
|
0.55
|
|
J-Z 25/15
|
25
|
15
|
16
|
0.75
|
|
J-Z 25/12.5
|
25
|
12.5
|
0.55
|
|
J-Z 40/8
|
40
|
8
|
20
|
0.75
|
12
|
|
J-Z 40/6.3
|
40
|
6.3
|
0.55
|
|
J-Z 68/5
|
68
|
5
|
25
|
0.75
|
|
J-Z 68/3
|
68
|
3
|
0.55
|
|
J-Z 80/4
|
80
|
4
|
28
|
0.75
|
|
J-Z 80/2
|
80
|
2
|
0.55
|
|
J-Z 110/2
|
110
|
2
|
32
|
0.55
|
|
J-Z 130/3.2
|
130
|
3.2
|
35
|
0.75
|
|
J-Z 130/1.6
|
130
|
1.6
|
0.55
|
|
J-Z 160/1.6
|
160
|
1.6
|
38
|
0.55
|
|
J-Z 160/1.3
|
160
|
1.3
|
0.55
|
|
J-Z 190/1.0
|
190
|
1.0
|
42
|
0.55
|
17
|
|
J-Z 190/0.8
|
190
|
0.8
|
0.55
|
|
J-Z 270/1.0
|
270
|
1.0
|
50
|
0.75
|
|
J-Z 270/0.8
|
270
|
0.8
|
0.55
|
|
J-Z 320/1.0
|
320
|
1.0
|
55
|
0.75
|
|
J-Z 400/0.8
|
400
|
0.8
|
60
|
0.75
|
|
J-Z 460/0.8
|
460
|
0.8
|
65
|
0.75
|
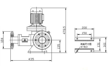
J-Z系列柱塞式计量泵外形安装尺寸图

|