
J-D系列柱塞式计量泵
可调计量范围:0-3000L /H
最大压力承受范围:0-50MPa
驱动方式:电机驱动
控制方式:手动、自动控制 (可接收4-20mA信号来调节流量)
配置方式:泵头保温、冷却、电机可配防爆
最大压力承受范围:0-50MPa
驱动方式:电机驱动
控制方式:手动、自动控制 (可接收4-20mA信号来调节流量)
配置方式:泵头保温、冷却、电机可配防爆
1、与介质直接接触部位全采用不锈钢及四氟材质。过流适应一般颗粒,无毒无味。
2、双泵头结构,经济实用,占地面积小,性能优越。
3、易损部件全部经过特殊化处理,质量保证。
4、内部配置性能卓越的调节器总成,延长泵的使用寿命,并降低了噪音。
5、定量输出,在泵运行或停止时也可任意调节流量,精密度高可达正负百分之一。
6、吐出压力最高一款系列可达500KG 。
7、适用于输送温度为 -30~120℃ ,粘度为 0.3~800mm 2/s 的介质。
2、双泵头结构,经济实用,占地面积小,性能优越。
3、易损部件全部经过特殊化处理,质量保证。
4、内部配置性能卓越的调节器总成,延长泵的使用寿命,并降低了噪音。
5、定量输出,在泵运行或停止时也可任意调节流量,精密度高可达正负百分之一。
6、吐出压力最高一款系列可达
7、适用于输送温度为 -30~
产品参数
J-D系列柱塞式计量泵性能参数
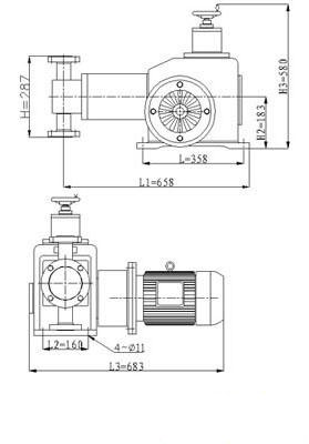
J-D系列柱塞式计量泵外形安装尺寸图
![]() |

