
产品概述
ISGB型便拆立式管道离心泵是在ISG型泵的基础上开发成功的一种结构新颖,技术先进的产品。
该立式泵特别是在整体结构上进行大胆突破设计。采用独立轴承体、泵轴支撑,解决了原来立式泵靠电机轴承支撑的不足之处;采用优秀水力模型的叶轮,消除了原立式泵轴向力大的不足之处;电机采用Y系列标准通用电机,解决原立式泵加长轴电机配套更换难的问题;同时100%的便拆结构,解决了更换大功率水泵的轴承、机械密封、叶轮、泵轴的难题。
该泵与国内同类产品相比,具有运转更平稳、使用寿命长、配套更方便、维护保养更轻松等等,无可代替的优点。在立式泵系列产品中属国内前列,各项技术居国内领先,是替代ISG型立式泵、IS型离心泵、S型双吸泵等常规各种离心泵的最理想产品。
产品特点
1、立式结构,安装调试方便,独特设计的电机和泵体采用联接体联接,同心度高、加工精度高,占地面积大大减少,缩减了泵房建筑投资30%一60%。底脚稳固、结构紧凑、精美的铸造和外观处理赋予立式离心泵新的美感,使产生品焕发艺术的魅力,可以和国外著名厂家立式泵媲美。
2、配用国内著名厂家生产的Y系列标准通用电机,运行平稳、噪音极低。
3、轴承采用国际著名品牌精密轴承,精度高、可靠性好、寿命长。
4、叶轮采用90年代最优秀可自平衡轴向力的水力模型,使得泵轴承和机械密封使用寿命大大延长。
5、电机轴承座内的轴承都配有加油孔和放油孔,对轴承的维护保养十分方便。
6、可拆卸硬性中间联轴器,使泵起动无振动、无噪音,旋转部件设有可靠的安全防护罩,安全性极好。
7、机械密封采用不锈钢、碳化钨、氟橡胶等材料制成,耐高温、高压,运行寿命长,无渗漏,对轴无磨损,保证工作环境整洁。
8、泵盖结构设计独特,只要卸下硬性中间联轴器、泵盖螺母,即可十分轻便取出轴承座。泵盖、泵轴、叶轮等组合件,进行更换机械密封和叶轮,而不必拆卸电机、泵体和管道,维修方便快捷。
工作条件
1、泵系统最高工作压力为1.6MPa,即泵吸入口压力+泵扬程≤1.6MPa(泵扬程工作压力大于1.6MPa时应在订货另行提出,以便在制造时泵的过流部件和联接部件采用铸钢)。
2、输送介质为清水或物理化学性质类似清水的其它液体。(输送介质带有细小颗粒的应在订货时另行说明,以便装配耐磨式机械密封)。
3、环境温度≤40℃,海拔高度≤1000m,相对湿度≤95%。
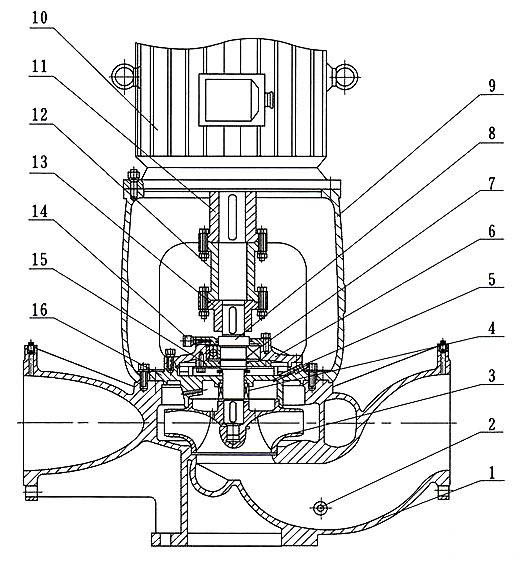
结构图

1 泵体 2 放水塞 3 叶轮 4 机械密封 5 放气阀 6 轴承体 7 轴承 8 泵轴 9 支架 10 电机 11 电机联轴器 12 中间联轴器 13 泵联轴器 14 油杯 15 轴承压盖 16 泵盖
型号意义

起动与停车
ISGB型便拆立式管道离心泵性能参数



安装说明
安装方式

曲线图谱

结构图

安装尺寸图

ISGB型便拆立式管道离心泵安装尺寸表



