
产品概述
DSW系列不锈钢泵是一种卧式单级离心泵,该泵与电机采用直联式联接,整体结构非常紧凑美观,泵的过流部件全部采用304不锈钢材料,可耐轻度腐蚀,泵的主要零部件采用薄板冲压结构,具有重量轻的特点,泵配有螺纹进出水口,联接方便,是一款非常现代的泵。
使用范围
1、工、民用清水或其它液体的增压、输送
2、水循环系统
3、农业灌溉
4、污水处理设备配套
输送介质
稀薄、干净、非易燃易爆并不含固体颗粒和纤维的液体, 可输送轻腐蚀性介质(与介质中氯离子含量、酸和碱的浓度、是否对橡胶和机械密封摩擦付材料产生腐蚀等情况有关),
所输送介质的密度不能大于清水,粘度要接近于水。否则需配用大功率电机。
所输送介质的密度不能大于清水,粘度要接近于水。否则需配用大功率电机。
运行条件
液体温度:-10℃至+85℃
环境温度:最高 +40℃
海拔:最高1000m
最大工作压力:8巴
安装条件
泵应紧固在平稳的水平基座上
泵的安装要保证泵在使用时不受系统管路张力的影响
为保证电机的正常运转,泵要安装在具有良好通风条件、并防冰冻的位置
电气接线装置应保证泵不受缺相、电压不稳、漏电和过载的损害
性能参数表
|
型号规格
|
额定
流量
m³/h
|
额定
扬程
m
|
额定
功率
kw
|
额定
电压
v
|
同步
转速
r/min
|
配管
内径
mm
|
材质
|
|
DSW60/0.37
|
3.5
|
15
|
0.37
|
380/220
|
3000
|
32/25
|
304
|
|
DSW60/0.55
|
3.5
|
20
|
0.55
|
380/220
|
3000
|
32/25
|
304
|
|
DSW60/0.75
|
3.5
|
25
|
0.75
|
380/220
|
3000
|
32/25
|
304
|
|
DSW100/0.75
|
6
|
14
|
0.55
|
380/220
|
3000
|
32/25
|
304
|
|
DSW100/1.1
|
6
|
23
|
1.1
|
380/220
|
3000
|
32/25
|
304
|
|
DSW160/0.75
|
10
|
13.5
|
0.75
|
380/220
|
3000
|
40/32
|
304
|
|
DSW160/1.1
|
10
|
17.5
|
1.1
|
380/220
|
3000
|
40/32
|
304
|
|
DSW250/1.1
|
15
|
13
|
1.1
|
380/220
|
3000
|
40/32
|
304
|
|
DSW250/1.5
|
15
|
19
|
1.5
|
380
|
3000
|
40/32
|
304
|
|
DSW250/2.2
|
15
|
24
|
2.2
|
380
|
3000
|
40/32
|
304
|
|
DSW330/1.5
|
20
|
14
|
1.5
|
380
|
3000
|
50/32
|
304
|
|
DSW330/2.2
|
20
|
17
|
2.2
|
380
|
3000
|
50/32
|
304
|
截面图

性能曲线


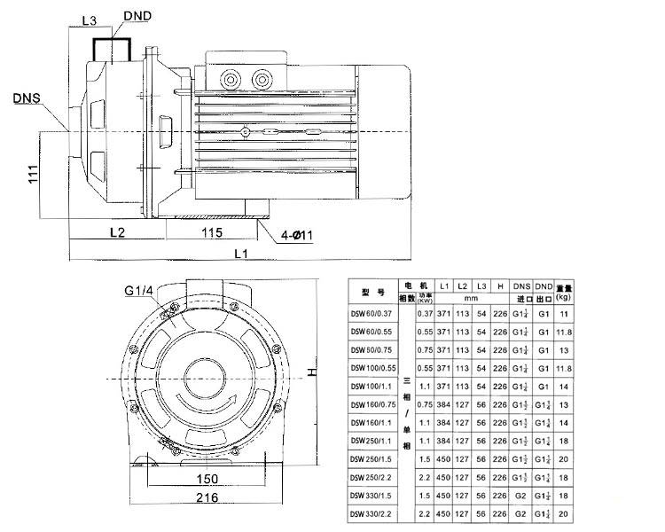
安装尺寸图

