
我厂生产的RSV、RSVW型船用离心泵是从西德KSB公司引进的先进技术制造的。泵的性能参数,结构。安装尺寸,质量控制,测试要求,主要零件材料全部按照KSB公司的技术要求和有关标准
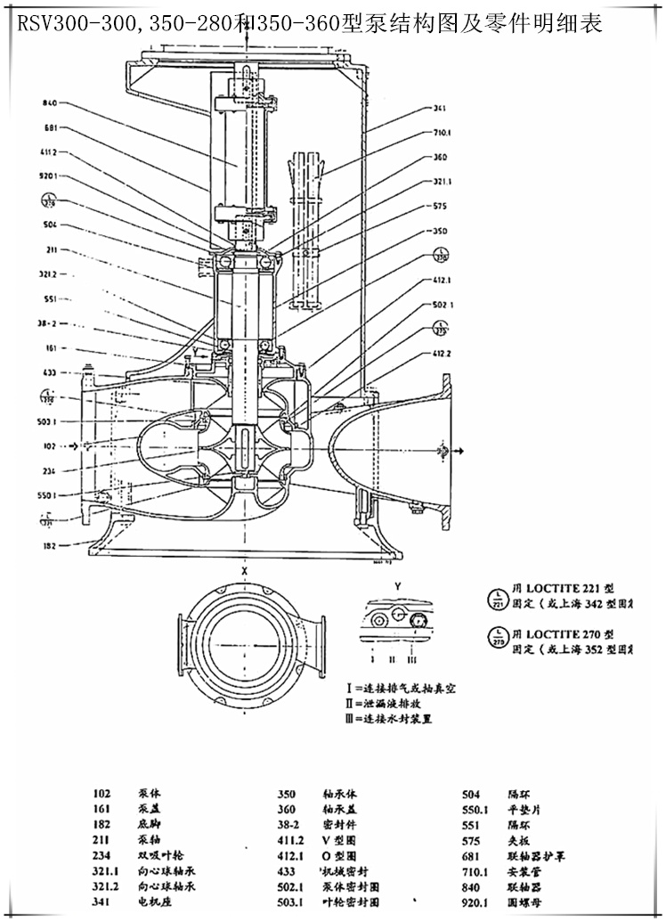
结构说明
1.立式结构的RSV系列的所有品种的泵可在底座上直接安装。RSVW系列从65-200到125-350可安装在舱壁上
2.泵体:泵体是采用径向蜗壳,泵体密封环可以互换。
3.叶轮:RSV300-300,350-280和350-360型是双吸叶轮。RSV150-220和150-270型单吸叶轮带有诱导轮。其它型号都是单吸叶轮。
4.叶轮密封环:型号大于125-200的叶轮密封环可同时提供或以后提供,费用另外。附加的叶轮密封环车削尺寸见图表。
5.轴向力:单吸叶轮的轴向力通过叶轮轮毂上钻平衡孔而得到平衡。双吸叶轮因制造公差而出现剩余轴向力,由径向轴承来平衡。
6.轴承:泵轴轴承采用油脂润滑的滚动轴承。上轴承(支承轴承)采用深槽滚珠轴承。下轴承(导向轴承)采用密封式深槽滚珠轴承。
7.轴封:采用机械密封,单端面,非平衡型。按DIN标准24960由我厂自行制造。
8.自吸装置:根据需要可以提供VATEC自吸装置,费用另加。
9.传动采用法兰联接的立式电动机。从电机顶部俯视,水泵均是顺时针旋转。
1O.联轴器:弹性联轴器,带中间联轴器结构。







