产品概述
JET喷射自吸泵系列结合了离心泵与自吸泵的功能和特点,利用水力喷射原理而实现自吸功能。产品经优化设计,具有吸程大,扬程高的特点。运行平稳,性能可靠,是一种理想的农业家用泵。
工作条件
1、工作介质为无腐蚀性的清水,介质中含砂量的体积比不超过0.10%, 粒度不大于0.20mm。2、介质温度不超过40℃,介质的PH值在6.5-8.5之间。
3、电源频率为50Hz,电压单相为220V,波动范围为额定值的0.9-1.1倍.
产品用途
JET喷射自吸泵是一种理想的新型高效节能家用泵,广泛用于家庭生活取水、并下抽水.自来水加压、园林浇灌、蔬菜大棚供水.工矿企业及养殖业等
性能参数
-
型号
功率
KW
电压
V
扬程
m
吸程
m
流量
m3/h
转速
r/min
频率
HZ
配管
mm
JET-80
0.55
220
35
8
2.5
2850
50
25
JET-80
0.75
220
40
8
3.5
2850
50
25
JET-100
0.75
220
45
9
3
2850
50
25
JET-100
0.85
220
40
9
4
2850
50
25
JET-150
1.1
220
45
9
4
2850
50
25
JET-150
1.5
220
50
9
5
2850
50
25
-
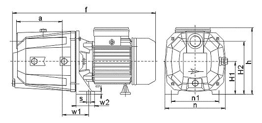
尺寸图

安装示意图

|
1 |
水塔 |
2 |
水泵 |
3 |
阀门 |
4 |
底阀 |
5 |
自动开关 |
6 |
压力表 |
7 |
水泵 |
|
8 |
水塔 |
9 |
贮水灌 |
10 |
阀门 |
11 |
阀门 |
12 |
水泵 |
13 |
进水口 |
|
|

